With the permanent ongoing advanced Automation process in the industry the need for highly flexibly systems
got more and more obvious.
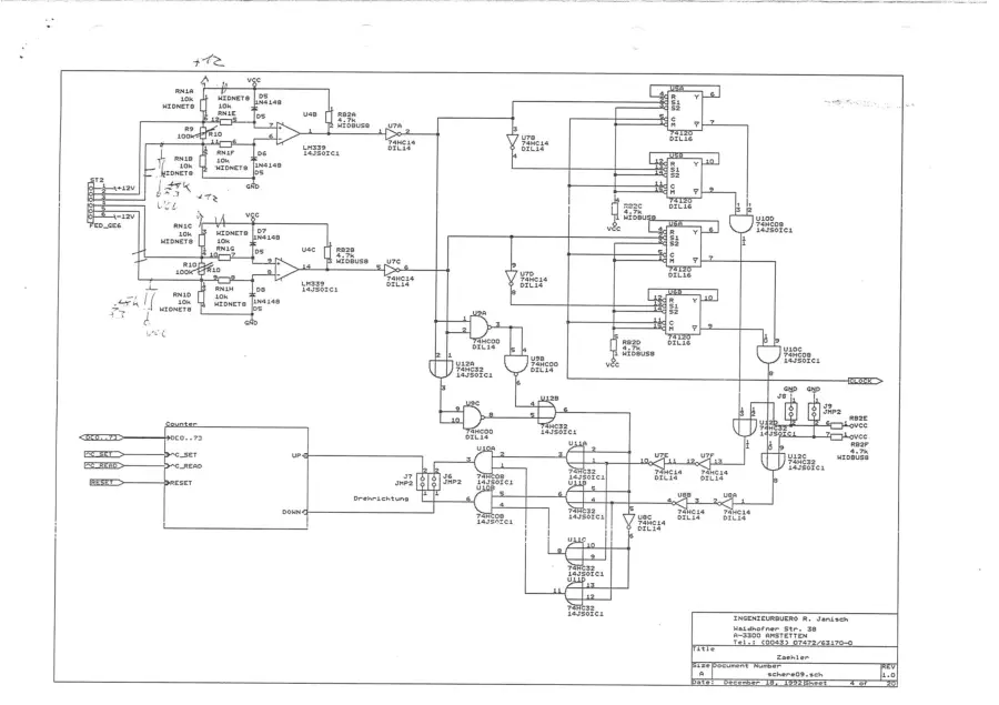
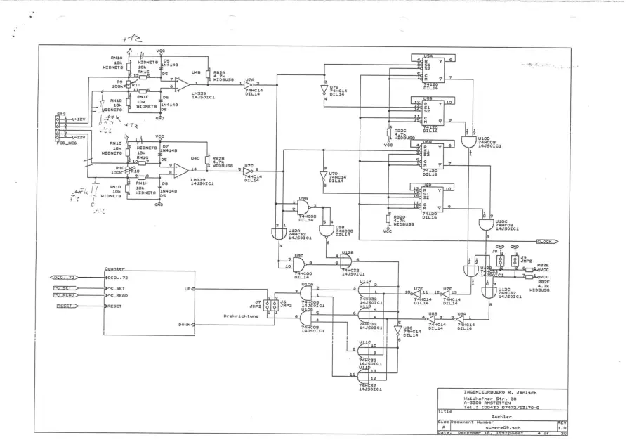
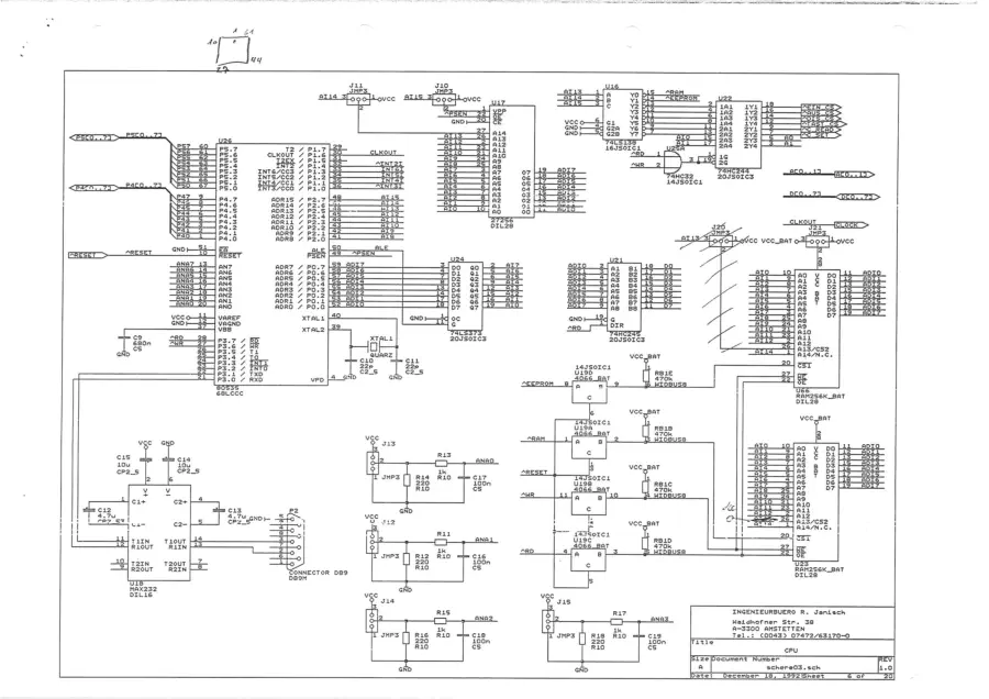
Our solution was a unique design for a very modular & flexible system where the customer can put everything
together for his needs, plus with open architecture so that it is easy to design specific additional board for very
explicit needs of the customer’s application.
Just like the 3-dimensional Rubik’s cube.
Some Application examples:
- Sheet metal Bending machine
- Punch machines
- Fully automatic flying saw for the furniture industry
- Rolling machines
- Fully Automatic positioning systems
- Add On units for CNC machines
- Access control & security
- Data collection for long term trends with unique and open interface structure
- and many more